Recherche tourneur (région Lyon et environ de préférence)
Modérateurs : copain des copeaux, DeD
-
philippe G
- Accro
- Messages : 3868
- Inscription : 19 sept. 2015, 15:00
- Contact :
Recherche tourneur (région Lyon et environ de préférence)
Bonjour à tous
J'aurais besoin d'effectuer un travail et comme je ne suis pas équiper pour tourner du bois , je recherche quelqu'un qui pourrait me le faire. Je suis OK pour payer un montant raisonnable pour ce travail.
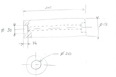
Il s'agit de tourner des logements diamètre 30, profondeur 14 dans à chaque extrémité d'un cylindre en hêtre sec, longueur 205 et diamètre 58 environ. Ces cylindres sont percés d'un trou de l'ordre de 11 mm pas forcément bien centré.
Les logements doivent eux être bien centrés par rapport à l'extérieur du cylindre et serviront à accueillir un roulement.
La cage extérieur du roulement sera montée "juste" dans le logement et je les collerai probablement.
Il y a 8 cylindres à traiter soit 16 logements.
Je n'ai pas de caractères d'urgence à ceci.
Si je n'ai pas de solutions locales, je pourrais aussi expédier mes cylindres avec quelques roulements.
Si il y a des questions n’hésitez pas.
Philippe
J'aurais besoin d'effectuer un travail et comme je ne suis pas équiper pour tourner du bois , je recherche quelqu'un qui pourrait me le faire. Je suis OK pour payer un montant raisonnable pour ce travail.
Il s'agit de tourner des logements diamètre 30, profondeur 14 dans à chaque extrémité d'un cylindre en hêtre sec, longueur 205 et diamètre 58 environ. Ces cylindres sont percés d'un trou de l'ordre de 11 mm pas forcément bien centré.
Les logements doivent eux être bien centrés par rapport à l'extérieur du cylindre et serviront à accueillir un roulement.
La cage extérieur du roulement sera montée "juste" dans le logement et je les collerai probablement.
Il y a 8 cylindres à traiter soit 16 logements.
Je n'ai pas de caractères d'urgence à ceci.
Si je n'ai pas de solutions locales, je pourrais aussi expédier mes cylindres avec quelques roulements.
Si il y a des questions n’hésitez pas.
Philippe
-
Amaury74
- Accro
- Messages : 1357
- Inscription : 20 janv. 2021, 22:28
- Localisation : Haute Savoie
- Contact :
Re: Recherche tourneur (région Lyon et environ de préférence)
Un petit croquis serait pas mal si tu peux.
Désolé j’ai du mal à visualiser ce que tu demandes…
Désolé j’ai du mal à visualiser ce que tu demandes…
-
philippe G
- Accro
- Messages : 3868
- Inscription : 19 sept. 2015, 15:00
- Contact :
Re: Recherche tourneur (région Lyon et environ de préférence)
Bonsoir Amaury74
Il s'agit de réaliser un logement diamètre = 30 mm, profondeur = 14 mm sur chaque extrémité des cylindres en bois.
Il s'agit de réaliser un logement diamètre = 30 mm, profondeur = 14 mm sur chaque extrémité des cylindres en bois.
Dernière modification par philippe G le 15 juil. 2024, 06:50, modifié 1 fois.
- Tamilhaz
- Accro
- Messages : 2897
- Inscription : 12 juil. 2016, 12:00
- Localisation : Nord du Tarn
- Contact :
Re: Recherche tourneur (région Lyon et environ de préférence)
Je verrai bien ça avec un gabarit de centrage pris sur l'extérieur et assurant le guidage d'une mèche Forstner avec une perceuse simple parce que 205cm de long....
-
philippe G
- Accro
- Messages : 3868
- Inscription : 19 sept. 2015, 15:00
- Contact :
Re: Recherche tourneur (région Lyon et environ de préférence)
Oui, ce pourrait être une bonne idée - à murir
Toutes les cotes en mm.
Toutes les cotes en mm.
Re: Recherche tourneur (région Lyon et environ de préférence)
Une mortaiseuse à mèche avec une mèche forstner pourrait faire cela très bien: il faut juste faire un support en V et un bridage pour tenir la pièce de bois.
Je n'avais pas réalisé que 205, c'était en mm: dans ce cas, on peut aussi utiliser un tour à bois avec mandrin d'un coté et mandrin de perçage de l'autre avec mèche forstner et éventuellement lunette pour maintenir la pièce (pas sûr que ce soit nécessaire).
Je n'avais pas réalisé que 205, c'était en mm: dans ce cas, on peut aussi utiliser un tour à bois avec mandrin d'un coté et mandrin de perçage de l'autre avec mèche forstner et éventuellement lunette pour maintenir la pièce (pas sûr que ce soit nécessaire).
-
philippe G
- Accro
- Messages : 3868
- Inscription : 19 sept. 2015, 15:00
- Contact :
Re: Recherche tourneur (région Lyon et environ de préférence)
Réflexion sur l'utilisation d'une mêche Forsnter
1- le gabarit pourrait être difficile si tous les cylindres ne sont pas exactement identiques.
2- Je n'ai plus de centre, puisque il y a un trou de 11 mm qui transperce le cylindre de part en part.
1- le gabarit pourrait être difficile si tous les cylindres ne sont pas exactement identiques.
2- Je n'ai plus de centre, puisque il y a un trou de 11 mm qui transperce le cylindre de part en part.
Dernière modification par philippe G le 15 juil. 2024, 06:50, modifié 1 fois.
Re: Recherche tourneur (région Lyon et environ de préférence)
Si tes cylindres ne sont pas exactement identiques, le mieux est d'utiliser un tour (à bois ou mieux à métaux). En absence de matière au centre, je pense que la mèche forstner est celle qui bougera le moins. Par contre, une lunette risque d'être nécessaire.
- Copeau Cabana
- Accro
- Messages : 6709
- Inscription : 13 avr. 2021, 00:04
- Localisation : Ici même !
- Contact :
Re: Recherche tourneur (région Lyon et environ de préférence)
Perso, je créerais un gabarit de maintien qui se fixe sur la perceuse à colonne munie d'une Forstner de 30… 
Quand tu dis que les cylindres ne sont pas tous identiques en diamètre, c'est de quel ordre ?
Quand tu dis que les cylindres ne sont pas tous identiques en diamètre, c'est de quel ordre ?
"If it looks straight, it is straight" (Jimmy Diresta)
Re: Recherche tourneur (région Lyon et environ de préférence)
Le problème avec une perceuse (ou une mortaiseuse), cela va être le centrage.
Dernière modification par patrick63 le 15 juil. 2024, 08:34, modifié 1 fois.
-
philippe G
- Accro
- Messages : 3868
- Inscription : 19 sept. 2015, 15:00
- Contact :
Re: Recherche tourneur (région Lyon et environ de préférence)
Je les mesurerais tous demain.tu dis que les cylindres ne sont pas tous identiques en diamètre, c'est de quel ordre ?
Exactement , alors qu'avec un tour cela me parait plus simple et plus précis.Le problème avec une perceuse (ou une mortaise), cela va être le centrage.
-
philippe G
- Accro
- Messages : 3868
- Inscription : 19 sept. 2015, 15:00
- Contact :
Re: Recherche tourneur (région Lyon et environ de préférence)
Bonjour à tous
voici quelques mesures rapides:
écart de diamètre : entre 0,5 et 1 mm
écart de cylindricité : entre 0 et 0,5 sur 4 cylindres, entre 0 et 0,9 sur 4 cylindres
les 2 écarts ne s'additionnent pas car il m'est difficile de faire la part de l'un et de l'autre.
voici quelques mesures rapides:
écart de diamètre : entre 0,5 et 1 mm
écart de cylindricité : entre 0 et 0,5 sur 4 cylindres, entre 0 et 0,9 sur 4 cylindres
les 2 écarts ne s'additionnent pas car il m'est difficile de faire la part de l'un et de l'autre.
Re: Recherche tourneur (région Lyon et environ de préférence)
C’est tout à fait réalisable au tour mais de mon côté j’aurais démarré par le percage diametre 30 puis celui traversant et enfin la mise au rond en maintenant les pièces avec des cônes de centrage. Sans ça même au tour ce sera compliqué d’avoir un bon centrage et les premières étapes nécessitant des prises de mandrin risquent de marquer les cylindres. C’est peut être encore jouable si toutefois les cotes des cylindres peuvent être réduites?
-
philippe G
- Accro
- Messages : 3868
- Inscription : 19 sept. 2015, 15:00
- Contact :
Re: Recherche tourneur (région Lyon et environ de préférence)
Bonjour Fridu.
Tu as raison, mais j'ai récupéré ces cylindres en l'état.
Et oui, on peut réduire un peu les cotes des cylindres.
Tu as raison, mais j'ai récupéré ces cylindres en l'état.
Et oui, on peut réduire un peu les cotes des cylindres.
- Copeau Cabana
- Accro
- Messages : 6709
- Inscription : 13 avr. 2021, 00:04
- Localisation : Ici même !
- Contact :
Re: Recherche tourneur (région Lyon et environ de préférence)
1 mm d'écart de diamètre max, ça fait 0,5 mm d'écart de rayon max… Selon l'usage que tu veux faire de ces cylindres, ça n'est peut-être pas si critique… 
Je resterais sur mon idée de gabarit pour une PAC, s'il est bien conçu et bien rigide, je pense que ce serait OK.
Je resterais sur mon idée de gabarit pour une PAC, s'il est bien conçu et bien rigide, je pense que ce serait OK.
"If it looks straight, it is straight" (Jimmy Diresta)
Re: Recherche tourneur (région Lyon et environ de préférence)
oui, le centrage et l'alignement, si ce n'est pas aligné l'axe rentre de force et en travers, les roulements s'usent très vite.
Pour des roulements il faut que ce soit juste , très précis surtout le diamètre des paliers de roulement , là c'est à quelques centièmes sinon le roulement ne rentre pas ou ne tient pas. Pour le diamètre externe c'est moins grave.
Au tour obligatoirement.
Comme l'a dit Fridu, il aurait fallu tout faire au tour car les reprises sont délicates, en plus c'est déjà percé à là peu près.
-
philippe G
- Accro
- Messages : 3868
- Inscription : 19 sept. 2015, 15:00
- Contact :
Re: Recherche tourneur (région Lyon et environ de préférence)
Merci à tous.
Avant d'aller plus loin, je vais prendre le temps de réflexion et voir en particulier si je peux simplifier ma solution.
Avant d'aller plus loin, je vais prendre le temps de réflexion et voir en particulier si je peux simplifier ma solution.
- Copeau Cabana
- Accro
- Messages : 6709
- Inscription : 13 avr. 2021, 00:04
- Localisation : Ici même !
- Contact :
Re: Recherche tourneur (région Lyon et environ de préférence)
Tu ne nous as toujours pas dit quel était ce projet mystérieux ! 
"If it looks straight, it is straight" (Jimmy Diresta)
Re: Recherche tourneur (région Lyon et environ de préférence)
Pour moi, deux (ou trois équerres ) immobilisant les cylindres verticalement sur la table de la PAC; puis, soit avec un forêt de 11, soit avec un cône de centrage, aligner le trou de 11 : virer le forêt et le remplacer par forstner ; percer.
Je dirais, a priori, que le forêt assurerait l'alignement mieux que le cône.
Recommencer les opérations si les cylindres ne sont pas tous identiques.
Je dirais, a priori, que le forêt assurerait l'alignement mieux que le cône.
Recommencer les opérations si les cylindres ne sont pas tous identiques.
Re: Recherche tourneur (région Lyon et environ de préférence)
P.S. : je suis dans le 69 et possède une perceuse à colonne... Au cas où !
Qui est en ligne ?
Utilisateurs parcourant ce forum : Aucun utilisateur inscrit et 9 invités