Ne Jamais préter ses outils à sa femme...

De la défonceuse à la combinée, posez ici vos questions sur l'outillage électrique

Modérateur : macbast

Répondre
GuillaumeDieppe
Poste parfois
Messages : 14
Inscription : 02 mars 2015, 14:22
Contact :

Ne Jamais préter ses outils à sa femme...

Message par GuillaumeDieppe »

Bonjour,

J'ai eu l'idée fantastique d'autoriser ma femme à utiliser ma scie sauteuse Metabo STE 90 SCS.
Résultat, le serre lame est sorti...

Image

Je n'ai pas réussi à le remettre, savez vous si c'est cassé ou juste déboité ? Si déboité, comment le faire tenir ?

Merci

Cdt
Avatar de l’utilisateur
Vélobois
Accro
Messages : 2450
Inscription : 02 déc. 2012, 20:21
Localisation : Sainte Cécile Les Vignes
Contact :

Re: Ne Jamais préter ses outils à sa femme...

Message par Vélobois »

Bonjour

Et à part ça, ta femme n'est pas blessée ???
Cordialement
Robert
ThReM
Accro
Messages : 2314
Inscription : 25 août 2013, 22:11
Localisation : Morbihan (56)
Contact :

Re: Ne Jamais préter ses outils à sa femme...

Message par ThReM »

Bonjour.

Et crois tu vraiment que si c'est toi qui avait utilisé l'outil à cet instant, la casse n'aurait pas eu lieu ?

Si rien n'est indiqué dans le mode d'emploi pour le remonter /entretien direction le sav. On plaisante pas avec les outils de coupe.
"Les détails font la perfection, et la perfection n'est pas un détail"
GuillaumeDieppe
Poste parfois
Messages : 14
Inscription : 02 mars 2015, 14:22
Contact :

Re: Ne Jamais préter ses outils à sa femme...

Message par GuillaumeDieppe »

Non évidement qu'elle n'est pas blessée... C'était pour faire du mauvais esprit, je n'en ferai pas un post sinon !

En fait elle l'avait mis en vitesse de coupe mini et a forcé, avec la lame sortie de la roue de maintien (donc de travers tout en continuant à forcer)

Rien n'est dit sur le mode d'emploi de la scie concernant cette pièce. Je n'arrive pas à voir si le serre lame est cassé ou pas, je ne vois pas comment il tenais sur l'axe que l'on voit sur la photo ?
Herwan
Accro
Messages : 671
Inscription : 22 oct. 2013, 22:23
Contact :

Re: Ne Jamais préter ses outils à sa femme...

Message par Herwan »

Il n'y a qu'un seul "outil" que je prête à ma femme :mrgreen:
Avatar de l’utilisateur
egonon
Accro
Messages : 887
Inscription : 08 avr. 2015, 22:03
Localisation : Pays des diots et du mauvais vin blanc
Contact :

Re: Ne Jamais préter ses outils à sa femme...

Message par egonon »

Herwan a écrit :Il n'y a qu'un seul "outil" que je prête à ma femme :mrgreen:
Elle peut le casser aussi, tu sais... https://fr.wikipedia.org/wiki/Fracture_du_p%C3%A9nis :mrgreen:
Dernière modification par egonon le 14 août 2015, 22:18, modifié 1 fois.
Je réfléchis...

... mais bon dieu que c'est difficile!
MrBlue
Accro
Messages : 401
Inscription : 20 mars 2015, 19:47
Contact :

Re: Ne Jamais préter ses outils à sa femme...

Message par MrBlue »

GuillaumeDieppe a écrit :Non évidement qu'elle n'est pas blessée... C'était pour faire du mauvais esprit, je n'en ferai pas un post sinon !

En fait elle l'avait mis en vitesse de coupe mini et a forcé, avec la lame sortie de la roue de maintien (donc de travers tout en continuant à forcer)

Rien n'est dit sur le mode d'emploi de la scie concernant cette pièce. Je n'arrive pas à voir si le serre lame est cassé ou pas, je ne vois pas comment il tenais sur l'axe que l'on voit sur la photo ?
Essaie de regarder l'éclate de ta scie, soit sur le site constructeur, soit sur un site de pièce détachée
Avatar de l’utilisateur
ericV57
Accro
Messages : 2405
Inscription : 21 avr. 2013, 22:34
Localisation : lorraine
Contact :

Re: Ne Jamais préter ses outils à sa femme...

Message par ericV57 »

Oui l'éclaté est deja une bonne solution !
Apprendre, puis partager. 331 video - En route vers 1.300.000 vues et 2.200 abonnés chaine you tube - visitez site sur l'outillage
zaz
Accro
Messages : 444
Inscription : 07 juin 2013, 20:27
Contact :

Re: Ne Jamais préter ses outils à sa femme...

Message par zaz »

ericV57 a écrit :Oui l'éclaté est deja une bonne solution !
N'exagérons rien, éclater sa femme n'est pas une solution !!!! :mrgreen: :mrgreen: :mrgreen:
stephane1971
Accro
Messages : 798
Inscription : 17 juin 2012, 15:40
Localisation : gundershoffen
Contact :

Re: Ne Jamais préter ses outils à sa femme...

Message par stephane1971 »

Bonjour
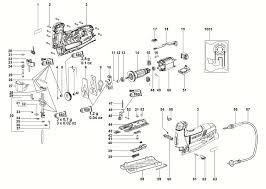
metabo.png
metabo.png (36.08 Kio) Consulté 2628 fois
D'après ce que je crois comprendre il suffirait de Lubrifier :mrgreen:

je te mets le lien

http://www.mtmc.co.uk/Metabo-STE-90-SCS ... 63475.aspx

Bonne journée

stéphane
Qui veut faire quelque chose trouve un moyen. Qui ne veut rien faire trouve une excuse.
GuillaumeDieppe
Poste parfois
Messages : 14
Inscription : 02 mars 2015, 14:22
Contact :

Re: Ne Jamais préter ses outils à sa femme...

Message par GuillaumeDieppe »

Merci pour vos réponses plus ou moins appropriées !

Cet aprèm je me suis rendu chez LM à coté de chez moi, le modèle est toujours en vente, j'ai donc pu voir que ma pièce est "soudée" à l'axe donc hormis resouder, c'est HS
Avatar de l’utilisateur
Eataine
Accro
Messages : 4630
Inscription : 30 avr. 2012, 00:12
Localisation : non peut-être?
Contact :

Re: Ne Jamais préter ses outils à sa femme...

Message par Eataine »

Si je ne me trompe pas, c'est la pièce 31, 16£ (23 euros). A toi de voir si ta machine vaut la peine...
GuillaumeDieppe
Poste parfois
Messages : 14
Inscription : 02 mars 2015, 14:22
Contact :

Re: Ne Jamais préter ses outils à sa femme...

Message par GuillaumeDieppe »

Oui tout a fait, merci pour le lien !

Est ce que vous comprenez comme moi, à savoir la pièce 31 est l'axe seul qui coute £16, et la pièce 30 est l'ensemble de 31 à 37 et qui coûte seulement £5.62 ?
Avatar de l’utilisateur
Eataine
Accro
Messages : 4630
Inscription : 30 avr. 2012, 00:12
Localisation : non peut-être?
Contact :

Re: Ne Jamais préter ses outils à sa femme...

Message par Eataine »

Bien vu, j'interprète effectivement comme toi...
Répondre

Qui est en ligne ?

Utilisateurs parcourant ce forum : Aucun utilisateur inscrit et 4 invités