Suite à la question d'Elbauju, je vais vous montrer ici le gabarit que j'ai utilisé pour mon réseau de trous.
J'ai fait découper une plaque d'alu de 8mm :

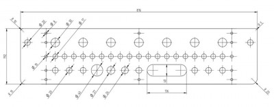
La première rangée est une série de trous au diamètre 30. Avec une bague de copiage et une fraise de 20 j'ai percé une première rangée :

Sur la 3e rangée il y a des perçages de 20mm. Des morceaux de tube en acier m'ont servi de "bench dogs" pour positionner les rangées suivantes :

Le trou oblong du gabarit m'a servi à défoncer devinez quoi... des trous oblongs
J'ai aussi ajouté un chanfrein pour faciliter le passage des serre-joints.
Bref, j'ai mis moins d'une heure pour terminer mon plateau et le résultat est tip-top

J'ai aussi profité de la découpe pour ajouter 2-3 "fonctions" :
- Une rangée au pas de 32 pour une bague de 17. J'utiliserai les trous de 8mm aux extrémités pour y fixer un guide. Une sorte de LR32 en moins cher
- Il y a aussi des perçages de 24, 27 et 40. En combinant perçages, bagues et fraises, je peux percer à peu près tous les diamètres entre 5 et 40mm avec la défonceuse.
Si quelqu'un est intéréssé par le fichier dxf, qu'il me contacte. Je ne sais pas comment le joindre au post
Et surtout n'hésitez pas à faire part de vos remarques pour améliorer ce gabarit, ça pourra servir à d'autres...
A+
[Edit]
Une commande groupée de gabarits et de bench dogs est organisée par keitofu. Pour les personnes intéressés c'est ici : viewtopic.php?f=36&t=24739
Le fichier DXF du gabarit proposé en commande groupée (différent de celui-ci)
![bravo [bravo]](./images/smilies/bravo.gif)
