Projet escalier demi tournant
Modérateur : pilpoil
Projet escalier demi tournant
Bonjour,
j'ai besoin d'un peu d'aide pour réaliser 2 escaliers demi tournant l'un sur l'autre.
J'ai bien télécharger la feuille de calcul de Lionnel Ponnelle, mais je suis sous mac et la version d'office ne me permet pas de changer tous les paramètres.
L'escalier supérieur à :
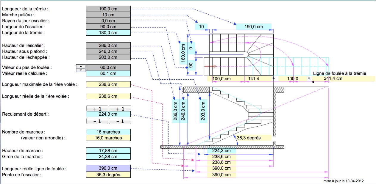
- longueur de trémie 190 cm
- Marche palière 10 cm
- Rayon du jour de l'escalier 0 cm
- Largeur de l'escalier 180 cm
- hauteur de l'escalier 286 cm
- hauteur sous plafond 246 cm
- hauteur de l'échappée souhaitée 210 cm
- nombre de marche souhaité 16
Merci par avance
Jmi
j'ai besoin d'un peu d'aide pour réaliser 2 escaliers demi tournant l'un sur l'autre.
J'ai bien télécharger la feuille de calcul de Lionnel Ponnelle, mais je suis sous mac et la version d'office ne me permet pas de changer tous les paramètres.
L'escalier supérieur à :
- longueur de trémie 190 cm
- Marche palière 10 cm
- Rayon du jour de l'escalier 0 cm
- Largeur de l'escalier 180 cm
- hauteur de l'escalier 286 cm
- hauteur sous plafond 246 cm
- hauteur de l'échappée souhaitée 210 cm
- nombre de marche souhaité 16
Merci par avance
Jmi
Re: Projet escalier demi tournant
La feuille de calcul…
il me signale une erreur.
Mais je ne sais pas ce que cela signifie...
il me signale une erreur.
Mais je ne sais pas ce que cela signifie...
- Pièces jointes
-
- planescalier.tiff (396.36 Kio) Consulté 3987 fois
Re: Projet escalier demi tournant
En changeant quelques petites choses cela passe; mais j'ai réduit l'échappée à 203 cm.
Qu'en pensez vous?
Qu'en pensez vous?
Re: Projet escalier demi tournant
Bonsoir,
L'échappée de 203 est acceptable.
Tu peux gagner presque une hauteur de marche en avancant le nez de la première marche presque à ras de la trémie, le limon côté jour viendrait reposer sur le sol sur une petite entaille de quelques centimètres, et le collet de la marche côté jour pourrait être arrondi et débordant du limon afin de donner de l'entrée à l'escalier.
Il faut veiller à l'échappée par rapport à l'escalier du dessous.
Je ne comprends pas la configuration des futurs ouvrages, ta vue en plan ne tourne pas dans le même sens que la vue 3D?
Le balancement tel que présenté demande à être travaillé.
Limons à la française, à l'anglaise? Quel type de garde-corps rampant? Un "vrai" demi tournant ou un limon sur limon?
L'échappée de 203 est acceptable.
Tu peux gagner presque une hauteur de marche en avancant le nez de la première marche presque à ras de la trémie, le limon côté jour viendrait reposer sur le sol sur une petite entaille de quelques centimètres, et le collet de la marche côté jour pourrait être arrondi et débordant du limon afin de donner de l'entrée à l'escalier.
Il faut veiller à l'échappée par rapport à l'escalier du dessous.
Je ne comprends pas la configuration des futurs ouvrages, ta vue en plan ne tourne pas dans le même sens que la vue 3D?
Le balancement tel que présenté demande à être travaillé.
Limons à la française, à l'anglaise? Quel type de garde-corps rampant? Un "vrai" demi tournant ou un limon sur limon?
Re: Projet escalier demi tournant
la feuille de calcul ne représente pas l'escalier.
Et justement, je ne sais pas exactement comment se dessine l'escalier.
Et justement, je ne sais pas exactement comment se dessine l'escalier.
Re: Projet escalier demi tournant
Je pensais à un limon à la francaise.
les gardes corps seront présent sur les cotés extérieur et au milieu.
Pour ce qui est du vrai tournant, je crois, je ne suis pas sur de ce qu'est un limon sur limon???
les gardes corps seront présent sur les cotés extérieur et au milieu.
Pour ce qui est du vrai tournant, je crois, je ne suis pas sur de ce qu'est un limon sur limon???
Re: Projet escalier demi tournant
Salut,
Du coup ça va être dur, je ne sais pas trop comment t'aider, il faudrait des interrogations précises.
Le limon sur limon comporte les deux limons sur le meme plan.
Il va quand même falloir tracer un peu, au moins la vue en plan en réel , sur de l'escalier simple comme ici on peut se contenter de tracer les élévations au dixième, ce qui donne la masse capable à coller pour les limons, un angle de rampant, et on reporte directement au compas sur le limon les largeurs de collet obtenus sur la vue en plan.
Pour la taille, la clé de la réussite c'est la régularité des marches, il faut tout tailler en même temps (marches et contremarches), raboter et poncer/racler de la même manière de façon à voir la même épaisseur de partout. On fabrique ensuite le gabarit pour la défonceuse en fonction de cette épaisseur ou bien l'on pointe le matos fait pour si l'on en dispose (scheer, Pauwels..).
Du coup ça va être dur, je ne sais pas trop comment t'aider, il faudrait des interrogations précises.
Le limon sur limon comporte les deux limons sur le meme plan.
Il va quand même falloir tracer un peu, au moins la vue en plan en réel , sur de l'escalier simple comme ici on peut se contenter de tracer les élévations au dixième, ce qui donne la masse capable à coller pour les limons, un angle de rampant, et on reporte directement au compas sur le limon les largeurs de collet obtenus sur la vue en plan.
Pour la taille, la clé de la réussite c'est la régularité des marches, il faut tout tailler en même temps (marches et contremarches), raboter et poncer/racler de la même manière de façon à voir la même épaisseur de partout. On fabrique ensuite le gabarit pour la défonceuse en fonction de cette épaisseur ou bien l'on pointe le matos fait pour si l'on en dispose (scheer, Pauwels..).
Re: Projet escalier demi tournant
Je souhaite plus un escalier " vrai tournant" avec limon à la française.
Largeur des limons 6 cm
Poteaux aux angles de 8 cm
Poteau centrale ??? 14cm (cela fait beaucoup, 12cm, la largeur des deux limons???)
Marche sans contre marche…
Limon en Hêtre et marche en Chêne.
Largeur des limons 6 cm
Poteaux aux angles de 8 cm
Poteau centrale ??? 14cm (cela fait beaucoup, 12cm, la largeur des deux limons???)
Marche sans contre marche…
Limon en Hêtre et marche en Chêne.
Re: Projet escalier demi tournant
Entendu.
Un escalier sans contre marche se dit 'à claire-voie.
Le hêtre est un bois moins noble que le chêne , et l'association des deux peut sembler étrange.
Le poteau du demi tournant devra suivre l'esthétique de l'escalier. Si les poteaux de départ et d'arrivée dépasse en épaisseur des limons, alors il faudra suivre, si les poteaux sont dans l'épaisseur des limons, alors il faut veiller à un bon chevillage des tenons, et éventuellement des joins creux.
Un escalier sans contre marche se dit 'à claire-voie.
Le hêtre est un bois moins noble que le chêne , et l'association des deux peut sembler étrange.
Le poteau du demi tournant devra suivre l'esthétique de l'escalier. Si les poteaux de départ et d'arrivée dépasse en épaisseur des limons, alors il faudra suivre, si les poteaux sont dans l'épaisseur des limons, alors il faut veiller à un bon chevillage des tenons, et éventuellement des joins creux.
Re: Projet escalier demi tournant
des joins creux?
Qu'est ce que c'est?
Qu'est ce que c'est?
Re: Projet escalier demi tournant
Pour ce qui est du bois.
Je pensais blanchir le chêne.
pas forcement le hêtre.
Fond dur et huile dur.
J'ai des grands plateaux de hêtre, pour ce qui est du chêne, il faudra que j'en rachète, je ne pense pas en avoir assez.
Je pensais blanchir le chêne.
pas forcement le hêtre.
Fond dur et huile dur.
J'ai des grands plateaux de hêtre, pour ce qui est du chêne, il faudra que j'en rachète, je ne pense pas en avoir assez.
Re: Projet escalier demi tournant
Un joint creux c'est un coup de rabot, un arrondi, une petite feuillure ou n'importe quel moyen qui permet de marquer l'arasement, lorsque l'on est pas trop sûr du bois ou que c'est un assemblage soumis à de fortes contraintes.
Re: Projet escalier demi tournant
Oui, pour le joint creux, c'était mon intention, mais je ne connaissais pas le nom. Merci
Re: Projet escalier demi tournant
L'escalier du sous sol est plus petit, et est moins haut.
la feuille de calcul ne correspond pas au dessin, l'escalier tourne à gauche (et les dimensions n'ont rien à voir avec ce qui est dessiné).
Soit, je fait un escalier avec le même poteau centrale, plus facile, soit je me sers du poteau supérieur pour accrocher le limon supérieur et je créée un autre poteau pour avoir un décalage afin que l'escalier arrive mieux placer devant la porte du sous sol.
Il va falloir que je fasse des dessins

la feuille de calcul ne correspond pas au dessin, l'escalier tourne à gauche (et les dimensions n'ont rien à voir avec ce qui est dessiné).
Soit, je fait un escalier avec le même poteau centrale, plus facile, soit je me sers du poteau supérieur pour accrocher le limon supérieur et je créée un autre poteau pour avoir un décalage afin que l'escalier arrive mieux placer devant la porte du sous sol.
Il va falloir que je fasse des dessins
- Pièces jointes
-
- escalier bas.tiff (305.33 Kio) Consulté 3724 fois
Re: Projet escalier demi tournant
escalier supérieur
cela prend forme.
Je n'ai pas représenté les limons, juste le poteau central.
Je n'ai pas fait le balançage des marches non plus.
cela prend forme.
Je n'ai pas représenté les limons, juste le poteau central.
Je n'ai pas fait le balançage des marches non plus.
Re: Projet escalier demi tournant
Bonjour Jmi
Je te mets un lien pour le balancement des marches pour un escalier rampe sur rampe
http://philippe.berger2.free.fr/Bois/Sy ... aliers.htm
L'avantage de cette méthode: le limon est droit.
Voici ce que cela donne avec sketchup Bonne continuation Hervé
Je te mets un lien pour le balancement des marches pour un escalier rampe sur rampe
http://philippe.berger2.free.fr/Bois/Sy ... aliers.htm
L'avantage de cette méthode: le limon est droit.
Voici ce que cela donne avec sketchup Bonne continuation Hervé
Re: Projet escalier demi tournant
et voici l'escalier inférieur.
je te remercie "reve".
mais j'avoue que les limons superposés ne me plaisent pas trop esthétiquement .
Je pensais à un balancement en herse éventuellement.
je te remercie "reve".
mais j'avoue que les limons superposés ne me plaisent pas trop esthétiquement .
Je pensais à un balancement en herse éventuellement.
Re: Projet escalier demi tournant
Si tu veux avoir deux limons pourquoi pas mais balance trois marches avant le demi tournant et 3 marches après c'est tellement plus joli!!
Et puis cela ne fait pas escalier de GSB genre La.....re.
Et puis cela ne fait pas escalier de GSB genre La.....re.
Re: Projet escalier demi tournant
J'adore dessiner des escaliers!
Voici ce que j'ai fait, Hervé
Voici ce que j'ai fait, Hervé
Qui est en ligne ?
Utilisateurs parcourant ce forum : Ahrefs [Bot] et 6 invités