LA solution de soupape pour cyclone
Modérateur : ours_en_pluche
-
tchitchater83
- Accro
- Messages : 138
- Inscription : 12 juil. 2017, 23:18
- Localisation : Cournanel 11300
- Contact :
Re: LA solution de soupape pour cyclone
Bonjour
Merci Nelkman pour ta réponse.
Mon problème est en fait l'inverse, car le sac à copeaux gonfle sérieusement, et cela gène la récupération des copeaux, dès que le sac est à moitié plein.
J'avais pensé mettre une soupape (une vrai; les votres sont plutôt des "casse vide" très courants dans l'industrie), mais avec cette soupape, ça va me coller plein de poussières dans l'atelier.
@+
Merci Nelkman pour ta réponse.
Mon problème est en fait l'inverse, car le sac à copeaux gonfle sérieusement, et cela gène la récupération des copeaux, dès que le sac est à moitié plein.
J'avais pensé mettre une soupape (une vrai; les votres sont plutôt des "casse vide" très courants dans l'industrie), mais avec cette soupape, ça va me coller plein de poussières dans l'atelier.
@+
Kity 636; 626; 637; scie circulaire, radiale, tour à bois, scie à ruban; fraiseuse Dufour 52; tour à métaux Celtic 12 et Emco Compact 8, défonceuse sous table Leman
Re: LA solution de soupape pour cyclone
Je ne comprends pas vraiment ta configuration. Le sac / bidon de récupération des copeaux dans un système a cyclone est en dépression normalement il me semble. Car l'aspirateur a copeaux est après le cyclone et le sac / bidon. Après l'aspirateur a copeau il y a soit un sac avec filtre, un sac + un filtre, ou une évacuation vers l'extérieur (ton cas si j'ai bien compris).tchitchater83 a écrit :Mon problème est en fait l'inverse, car le sac à copeaux gonfle sérieusement, et cela gène la récupération des copeaux, dès que le sac est à moitié plein.
Si après l'aspirateur tu as un sac avec filtre intégré celui-ci ne devrait récupérer que les poussières fines. Ce sac va gonfler et se remplir (pas très vite). Effectivement s'il est plein tu va perdre en aspiration. Mais cela ne semble pas être ta configuration.
Je ne comprends pas ton installation, cyclone + sac de récupération de copeau en surpression cela semble contradictoire.
Maintenant si c'est un simple aspirateur a copeau cela a a nouveau du sens pour moi. Mais ce n'est pas ce que tu décris.
Re: LA solution de soupape pour cyclone
Moi non plus j’ai pas compris... des photos svp!!!

"Un con qui marche ira toujours plus loin qu'un intellectuel assis" M. Audiard
Re: LA solution de soupape pour cyclone
Content pour toi! J’avais fait le même montage que toi et puis j’ai finalement inversé pour n’avoir que le dlx au dessus du capot.
"Un con qui marche ira toujours plus loin qu'un intellectuel assis" M. Audiard
Re: LA solution de soupape pour cyclone
Bonsoir,
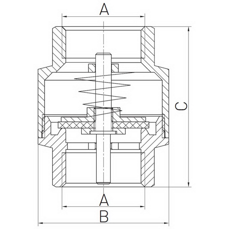
Cette AM j'ai testé le fonctionnement d'un clapet anti-retour de 3/4" en guise de soupape casse vide sur le bidon de récupération sous mon cyclone.
Cela fonctionne assez bien, mais sur mon installation, la soupape est bien trop souvent entrouverte en fonctionnement.
Comme il n'est pas possible de régler le tarage du ressort sur ce type de clapet, j'ai tenté dans un premier temps de le démonter et de remplacer le ressort existant par un autre plus raide. Malheureusement je n'y suis pas arrivé avec celui en ma possession. Car contrairement aux idées reçues, ce type de clapet est démontable.
La jonction vissée des deux parties constituant le corps en laiton n'est plus visible après décolletage final du diamètre extérieur du clapet, mais avec clé et une bonne rallonge, et en plaçant aux deux extrémités du clapet des raccords mâles en 3/4" pour éviter l'ovalisation du clapet pendant cette opération, il est possible de dévisser une partie du corps. J'avais déjà réussi cette opération dans le passé.
Pour pouvoir affiner le réglage du déclenchement de la soupape du clapet, j'ai alors installé un petit robinet 1/4 de tour avec une connexion 3/4" mâle sur le clapet anti-retour.
Lorsque le robinet est fermé, la soupape est neutralisée, mais en ajustant l'ouverture du robinet , et donc en jouant sur sa perte de charge, je peux finement ajuster le seuil de déclenchement du casse vide.
Et cela fonctionne parfaitement .
JDD
Cette AM j'ai testé le fonctionnement d'un clapet anti-retour de 3/4" en guise de soupape casse vide sur le bidon de récupération sous mon cyclone.
Cela fonctionne assez bien, mais sur mon installation, la soupape est bien trop souvent entrouverte en fonctionnement.
Comme il n'est pas possible de régler le tarage du ressort sur ce type de clapet, j'ai tenté dans un premier temps de le démonter et de remplacer le ressort existant par un autre plus raide. Malheureusement je n'y suis pas arrivé avec celui en ma possession. Car contrairement aux idées reçues, ce type de clapet est démontable.
La jonction vissée des deux parties constituant le corps en laiton n'est plus visible après décolletage final du diamètre extérieur du clapet, mais avec clé et une bonne rallonge, et en plaçant aux deux extrémités du clapet des raccords mâles en 3/4" pour éviter l'ovalisation du clapet pendant cette opération, il est possible de dévisser une partie du corps. J'avais déjà réussi cette opération dans le passé.
Pour pouvoir affiner le réglage du déclenchement de la soupape du clapet, j'ai alors installé un petit robinet 1/4 de tour avec une connexion 3/4" mâle sur le clapet anti-retour.
Lorsque le robinet est fermé, la soupape est neutralisée, mais en ajustant l'ouverture du robinet , et donc en jouant sur sa perte de charge, je peux finement ajuster le seuil de déclenchement du casse vide.
Et cela fonctionne parfaitement .
JDD
L’imagination est plus importante que le savoir. [Albert Einstein]
- Eataine
- Accro
- Messages : 4630
- Inscription : 30 avr. 2012, 00:12
- Localisation : non peut-être?
- Contact :
Re: LA solution de soupape pour cyclone
Si tu mets quelques rondelles sous le ressort pour le comprimer un peu, ça ne peut pas fonctionner?
Re: LA solution de soupape pour cyclone
Bonsoir,
Oui, bien sûr, cela va marcher, mais encore faut-il pouvoir mettre en place ces rondelles !
Si on arrive à séparer les 2 parties du corps (comme sur la photo jointe), pas de problème pour modifier le tarage du ressort de cette manière.
Comme expliqué précédemment, je ne suis pas arrivé à démonter ce clapet cette fois ci.
JDD
Oui, bien sûr, cela va marcher, mais encore faut-il pouvoir mettre en place ces rondelles !
Si on arrive à séparer les 2 parties du corps (comme sur la photo jointe), pas de problème pour modifier le tarage du ressort de cette manière.
Comme expliqué précédemment, je ne suis pas arrivé à démonter ce clapet cette fois ci.
JDD
L’imagination est plus importante que le savoir. [Albert Einstein]
Re: LA solution de soupape pour cyclone
Super bonne idée le coup du robinet! on va arriver a la valve ultime!
"Un con qui marche ira toujours plus loin qu'un intellectuel assis" M. Audiard
Qui est en ligne ?
Utilisateurs parcourant ce forum : Aucun utilisateur inscrit et 11 invités

